|

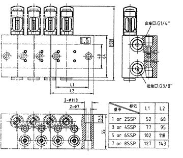
SSP型双线分配器用于双线集中润滑系统,工作压力可达40Mpa。在两条供油管交替的供油压力下动作,并且直接由供油活塞排油,完成向各润滑点断定量分配润滑剂的功能。
其特点是:
出油量准确,各出油口的出油量可分别在额定范围内调整。
可以从指示杆的动作直接观察润滑点工作情况。
分配器上可选装发信开关,检测润滑点的状况。
规格型号及技术参数
|
规格型号
|
公称压力MPa
|
出油口数
|
每口每次出油量(ml)
|
环境温度
|
|
公称
|
最小
|
最大
|
|
1SSP-M0.5
┆
8SSP-M0.5
|
40
|
1
┆
8
|
0.5
|
0.4
|
0.75
|
-20~+80°C
|
|
1SSP-M1.5
┆
8SSP-M1.5
|
40
|
1
┆
8
|
1.5
|
1.3
|
1.7
|
|
1SSP-M3
┆
8SSP-M3
|
40
|
1
┆
8
|
3
|
2.7
|
3.3
|
|